窑车式窑炉安东仪表说明书
- 2024-06-20 17:58:00
- sineee 原创
- 677
窑车式窑炉安东仪表说明书
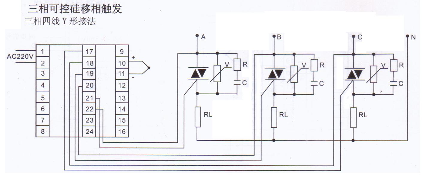
三相四线制可控硅移相触发输出
分段设定温度:
按《3秒进入分段设定界面,
按 ^ 设定时段H,和温度t,一共有19段。
按 PAR 设定结束,存储新的设定值。
按《3秒,回到正常的运行状态。
HOLD表示仪表处于暂停状态,按 ^ 开始执行程序段控制。
按 ^ ,仪表出现HOLD字幕,表示仪表处于暂停状态。
Loc: 参数锁,Loc在ON的状态才能设置;
Cool:OFF,致冷要关闭;
oSEt:修正值;
tc:设1,响应速度最快;
Sn:设1,S型高温热电偶;
oP:4-20,可控硅移相触发输出;
cP:OFF,热电偶冷端补偿关闭;
cooL:OFF,反作用(加热);
HAo:OFF,上限报警允许关闭;
LAo:OFF,下限报警允许关闭;
dAo:OFF,正偏差报警允许关闭;
rt:1,调节时间,rt数值越大,响应时间越慢;
P1:PID比例项;
P2:PID积分项,数值越大积分作用越弱‘’
发表评论
文章分类
联系我们
| 联系人: | 陈淡水 |
|---|---|
| 电话: | 17359502121 |
| 传真: | 0594-8588693 |
| Email: | sineee@126.com |
| QQ: | 2308798018 |
| 微信: | 17359502121 |
| 地址: | 福建省仙游县鲤城城内街文兴路39号 |